| 首 页 | 公司简介 | 新闻中心 | 产品集锦 |  产品目录 | 产品知识 | 联系方法 | 网上订单 | 电子邮局 | 
 
LQ系列列管式冷却器(1.0~1.6MPa)
旧 型 号
新 形 号
换热面积m2
L
T
A
重量(kg)
4LQF3W-A315F
4LQF3W-A1.3F
1.3
490
205
≤105
49
4LQF3W-A400F
4LQF3W-A1.7F
1.7
575
290
≤190
53
4LQF3W-A500F
4LQF3W-A2.1F
2.1
675
390
≤290
59
4LQF3W-A630F
4LQF3W-A2.6F
2.6
805
520
≤420
66
4LQF3W-A800F
4LQF3W-A3.4F
3.4
975
690
≤590
75
4LQF3W-A1000F
4LQF3W-A4.2F
4.2
1175
890
≤790
86
4LQF3W-A1250F
4LQF3W-A5.3F
5.3
1425
1140
≤1040
99
2LQGW型冷却器
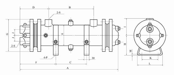
2LQF4W型冷却器外形图及尺寸
 
Copyright © 2012 南通市立新机械制造有限公司 地址:江苏启东市城北工业园杨沙路27号 润滑设备
电话:0513-83308668 传真:0513-83308989 网址:www.ntlx.cn E-mail:ntlx@ntlx.cn
在线咨询