| 首 页 | 公司简介 | 新闻中心 | 产品集锦 |  产品目录 | 产品知识 | 联系方法 | 网上订单 | 电子邮局 | 
 
钢管用螺纹连接接头
● 内接头
代号(订货号)
公称通径(DN)
d(R)
d1
L
L1
S
D
重量(kg)
对应号
ZT6.5.6-1
8
1/4
8
34
13
17
19.6
0.02
H1.5-1
ZT6.5.6-2
10
3/8
10
37
14
22
25.4
0.03
H1.5-2
ZT6.5.6-3
15
1/2
15
48
18
27
31.2
0.09
H1.5-3
ZT6.5.6-4
20
3/4
20
52
20
32
37
0.12
H1.5-4
ZT6.5.6-5
8
1/4(L)
8
75
13
17
19.6
0.13
H1.5-5
ZT6.5.6-6
10
3/8(L)
10
80
14
22
25.4
0.18
H1.5-6
ZT6.5.6-7
25
1
25
62
24
36
41.6
0.23
H1.5-7
标记示例:外接头8 ZT6.5.6-1
● 内外接头
代号(订货号)
公称通径(DN×DN)
d(R)
d1
L
L1
S
D
重量(kg)
对应号
ZT6.5.7-1
8×10
1/4
3/8
8
30
14
22
25.4
0.04
ZT6.5.7-2
10×15
3/8
1/2
10
36
18
27
31.2
0.08
ZT6.5.7-3
10×20
3/8
3/4
10
36
20
32
37
0.15
ZT6.5.7-4
15×20
1/2
3/4
15
42
20
32
37
0.21
ZT6.5.7-5
15×25
1/2
1
15
44
24
36
41.6
0.31
  标记示例:内外接头8×10 ZT6.5.7-1
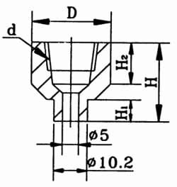
● 分管接头体
代号(订货号)
d(Rc)
D
H
H1
H2
重量(kg)
ZT6.5.12-1
1/4
24
22.5
4
15
0.053
ZT6.5.12-2
3/8
27
31
6
20
0.082
  标记示例:分管接头体Rc1/4 ZT6.5.12-1
● 活接头
代号(订货号)
公称通径(DN)
d(R)
D
L
L1
S
S1
“O”型密封圈GB1235-76
重量(kg)
对应号
ZY436.1.00
8
1/4
21
38
18
32
19
20×2.4
0.156
YF01.1
ZY436.2.00
10
3/8
25
36
22
24×2.4
0.193
YF01.2
ZY436.3.00
15
1/2
31
44
20
46
27
30×3.1
0.334
YF01.3
ZY436.4.00
20
3/4
36
50
26
54
32
35×3.1
0.511
YF01.4
ZY436.5.00
25
1
50
60
30
65
46
40×3.1
0.81
YF01.5
  标记示例:活接头Rc1/4 ZY436.1.00
Copyright © 2012 南通市立新机械制造有限公司 地址:江苏启东市城北工业园杨沙路27号 润滑设备
电话:0513-83308668 传真:0513-83308989 网址:www.ntlx.cn E-mail:ntlx@ntlx.cn
在线咨询