|
首 页
|
公司简介
|
新闻中心
|
产品集锦
|
产品目录
|
产品知识
|
联系方法
|
网上订单
|
电子邮局
|
干油部分
电动润滑泵
手(脚)动润滑泵
加油泵
双线分配器
单线分配器
换向阀、操纵阀及其附件
稀油部分
稀油润滑装置及稀油站
稀油润滑元件
管路安装附件
管件部分
油气润滑元件
带 阀 接 头
● 单向阀接头
JB/ZQ4573-86
逆向接头 正向接头
代号(订货号)
d(Rc)(R)
L
L1
S
方 向
重量(kg)
对应号
ZY434.1.00
1/4
54
13
22
正
0.181
ZY434.2.00
逆
ZY434.3.00
3/8
56
逆
0.187
ZY434.4.00
正
ZY434.5.00
1/8
50
10
17
逆
0.07
ZY434.6.00
正
标记示例:连接螺纹为Rc1/4的逆向单向阀接头 单向阀接头Rc1/4-N ZY434.2.00
连接螺纹为Rc1/4的正向单向阀接头 单向阀接头Rc1/4-E ZY434.1.00
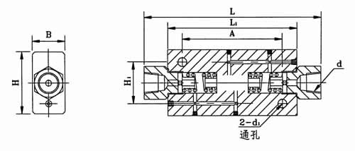
● 双向逆止阀接头
开启压力:0.44MPa;使用介质:润滑脂NLG0~2#。
代号(订货号)
d
L
B
H
A
L1
H1
S
D
d1
重量(kg)
对应号
ZY439.2.00
Rc3/8
154
28
47
80
110
30
24
27.6
9
1.1
YF12.2
ZY439.3.00
Rc3/4
210
40
76
120
154
50
34
39
11
1.74
YF12.3
标记示例:双向逆止阀接头Rc3/8 ZY439.2.00
Copyright © 2012 南通市立新机械制造有限公司 地址:江苏启东市城北工业园杨沙路27号
润滑设备
电话:0513-83308668 传真:0513-83308989 网址:www.ntlx.cn E-mail:ntlx@ntlx.cn
在线咨询