|
首 页
|
公司简介
|
新闻中心
|
产品集锦
|
产品目录
|
产品知识
|
联系方法
|
网上订单
|
电子邮局
|
干油部分
电动润滑泵
手(脚)动润滑泵
加油泵
双线分配器
单线分配器
换向阀、操纵阀及其附件
稀油部分
稀油润滑装置及稀油站
稀油润滑元件
管路安装附件
管件部分
油气润滑元件
精细滤油车
一、概述
随着液压工业的飞速发展,对液压系统工作的可先靠性提出了更高的要求目前,液压系统中的故障有70%左右
是由于油液的污染造成的,为了控制液压系统的污染程度,除了在液压系统中安装滤油器外。对于注入系统内的新油需用滤油车进行预过滤。同时也可用滤油车对液压系统进行循环过滤,净化系统油液。
该精细油车最大特点是滤油精度高,性能可靠,结构紧凑,外形美观移动灵活,使用维修方便滤油精度有3、5、10、20、30、40微米。用户可根据需要自由选择。只要调换不同精度滤芯就可达到使用要求。
精细滤油车可为液压系统、静压系统、润滑系统与各类用油系统的油液作灌注或定期过滤。对脏油回收也具有一定的经济效果。是理想的节能设备。
精细滤油车仅滤除油液中杂质。对油液的各项指标无影响。
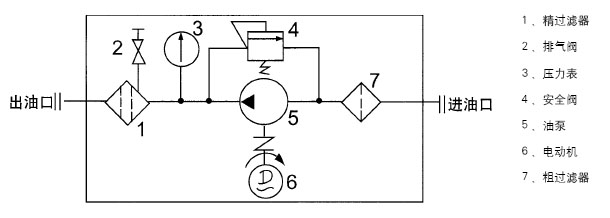
二、油路图
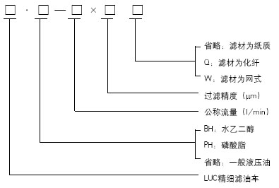
三、型号说明
四、技术规格与外形尺寸
型 号
流量
(l/min)
压力损失
(MPa)
粗滤精度
(μm)
精滤精度
(μm)
电机功率
(kW)
电压(V)
重量
(Kg)
尺 寸
H
A
B
LUC-16×※
16
≤0.02
100
3、5
0.37
380
60
920
470
350
LUC-40×※
40
10、20
0.75
90
930
560
400
LUC-63×※
63
30、40
1.1
100
960
560
400
LUC-100×※
100
1.5
110
960
560
400
五、用户自配附件与勿损件
滤油车型号
粗滤芯型号
精滤芯型号
输送胶管
骨架式油封
LUC-16×※
WU-63×100-J
CZX-16×※
19
20×40×10
LUC-40×※
CZX-40×※
25
20×45×10
LUC-63×※
CZX-63×※
25
25×45×10
LUC-100×※
WU-100×100-J
CZX-100×※
32
30×50×10
六、使用与保养
1、滤油车启动时不能使油泵反转,当确认转向后,才能正常工作。
2、为了精滤芯能正常工作,应及时打开排气阀,将滤筒中空气排净。
3、滤油车使用一段时间后,因粗滤芯堵塞造成油泵噪音增加,应及时清洗粗滤芯。
4、精滤芯使用一段时间后,因污染物堵塞引起压力高达0.4 Mpa时,应及时清洗或更换。
5、如果滤油车抽不出油,应检查油泵转向是否正确,油箱至油泵吸口密封是否可靠,吸油口虽否离开油面或油液已吸完。
6、当发现滤油车流量减少时,应检查粗、精滤芯是否堵塞严重。油泵轴封是否磨损或因反转而造成吹出,吸入空
气。
Copyright © 2012 南通市立新机械制造有限公司 地址:江苏启东市城北工业园杨沙路27号
润滑设备
电话:0513-83308668 传真:0513-83308989 网址:www.ntlx.cn E-mail:ntlx@ntlx.cn
在线咨询